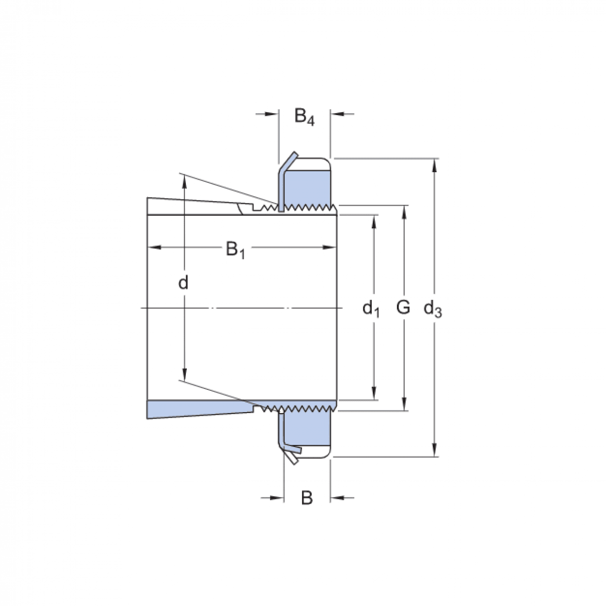
puzdro H 308 - CX, ISB

Rozmer: 35x58x36 Značka: CX
Skladom 6 ks na dopyt
+
-
ks