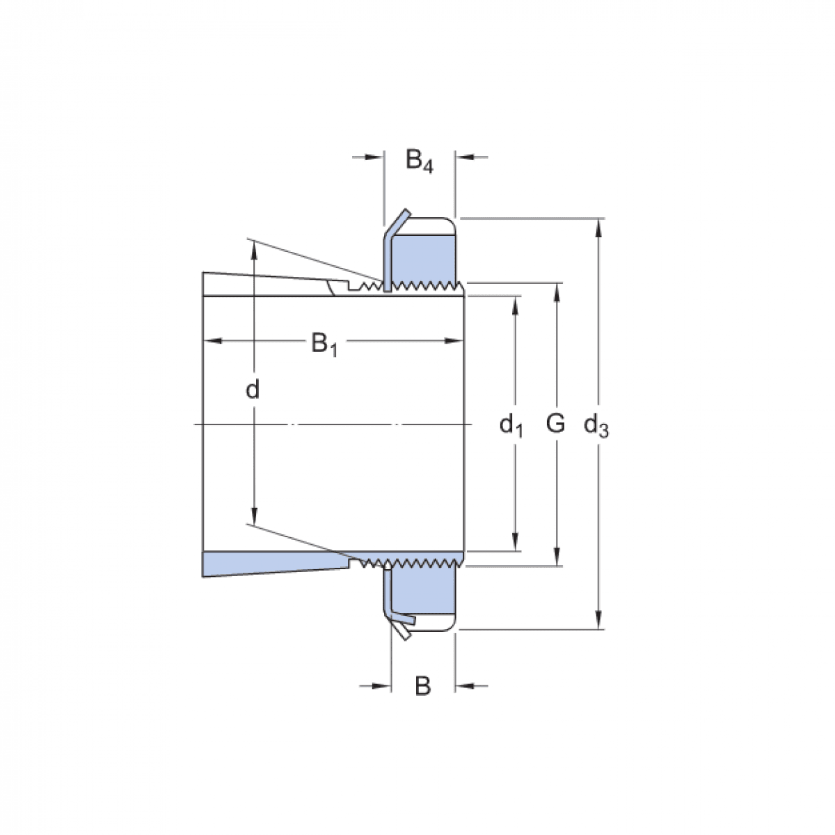
puzdro H 309 - CX

Rozmer: 40x65x39 Značka: CX
Externý sklad na dopyt
+
-
ks