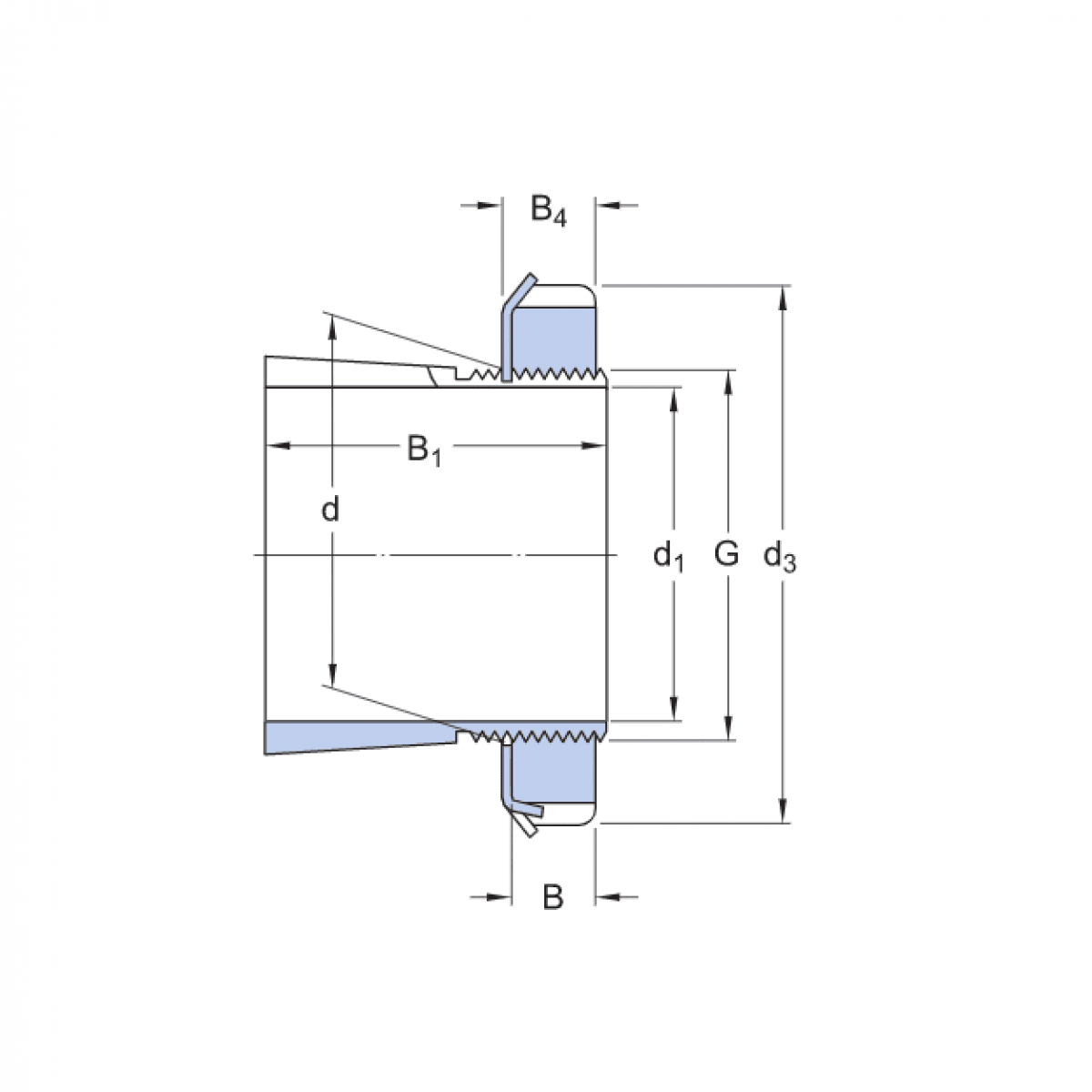
puzdro H 309 - FAG

Rozmer: 35x58x36 Značka: FAG
Externý sklad na dopyt
+
-
ks