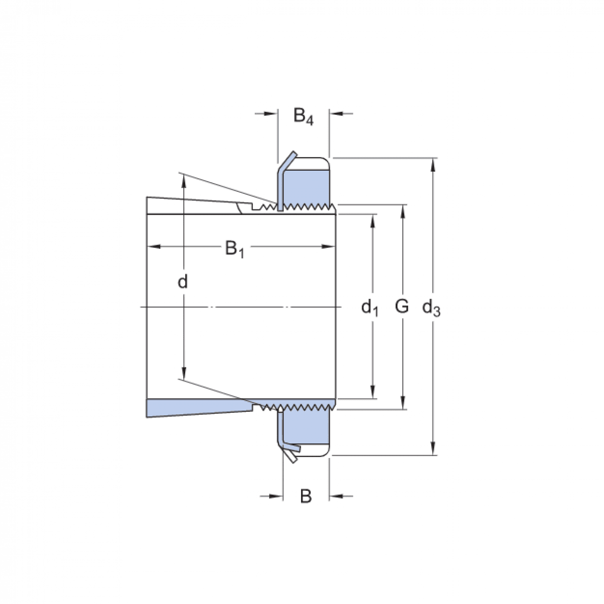
puzdro H 309 - MTM, CHI

Rozmer: 40x65x39 Značka: MTM
Skladom 6 ks na dopyt
+
-
ks