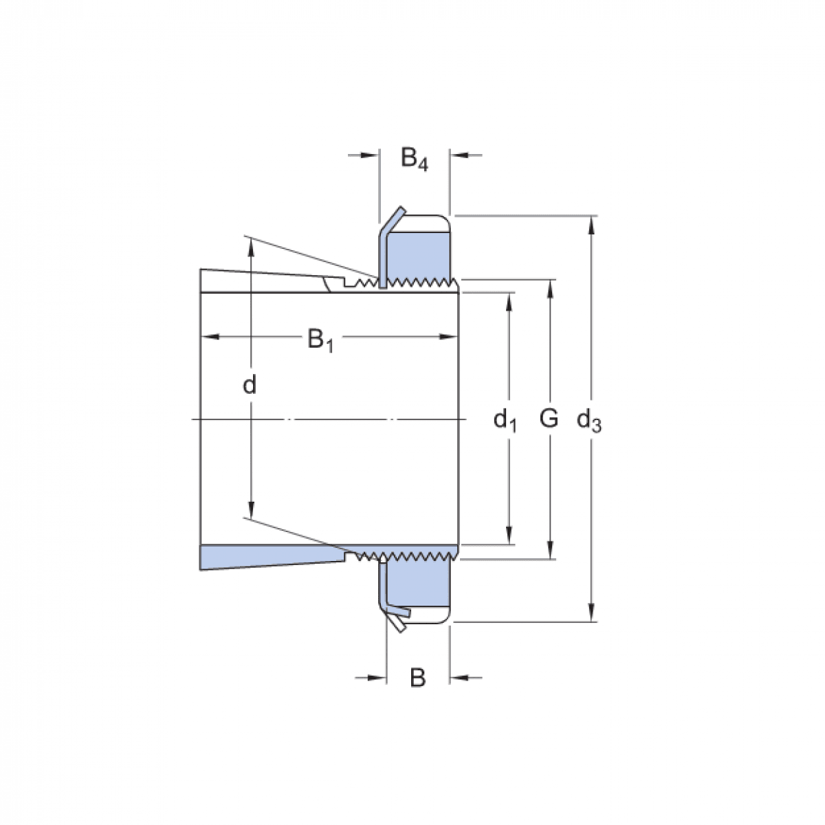
puzdro H 310 - MTM

Rozmer: 45x70x42 Značka: MTM
Externý sklad na dopyt
+
-
ks