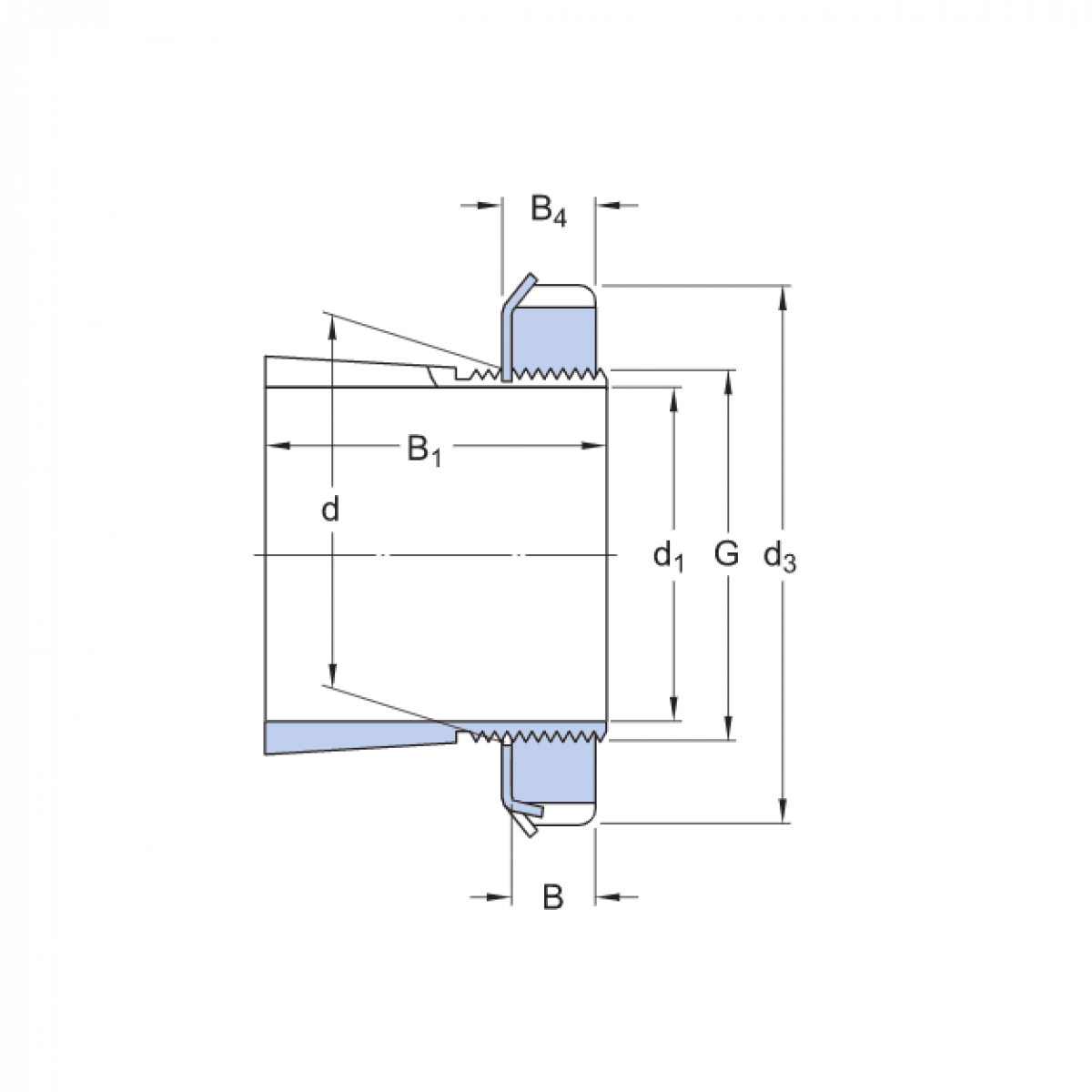
puzdro H 312 - FAG

Rozmer: 55x80x47 Značka: FAG
Externý sklad na dopyt
+
-
ks