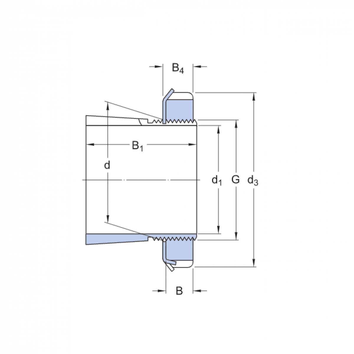
puzdro H 3128 - ZVL

Rozmer: 125x180x97 Značka: ZVL
Externý sklad na dopyt
+
-
ks