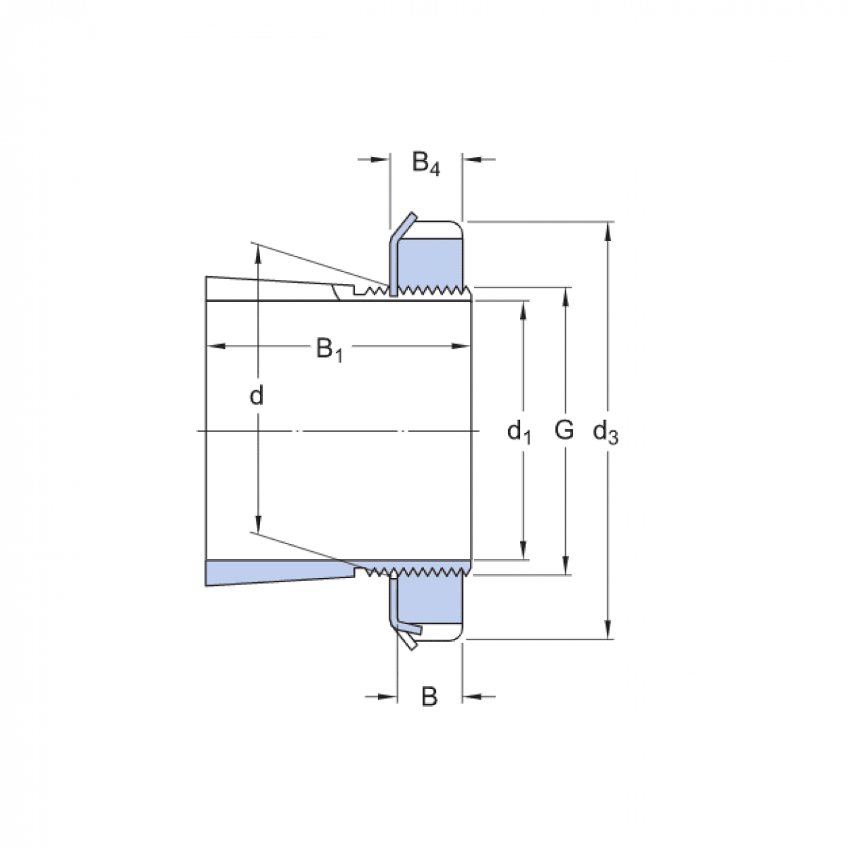
puzdro H 3132 - MTM

Rozmer: 140x210x119 Značka: MTM
Skladom 2 ks na dopyt
+
-
ks