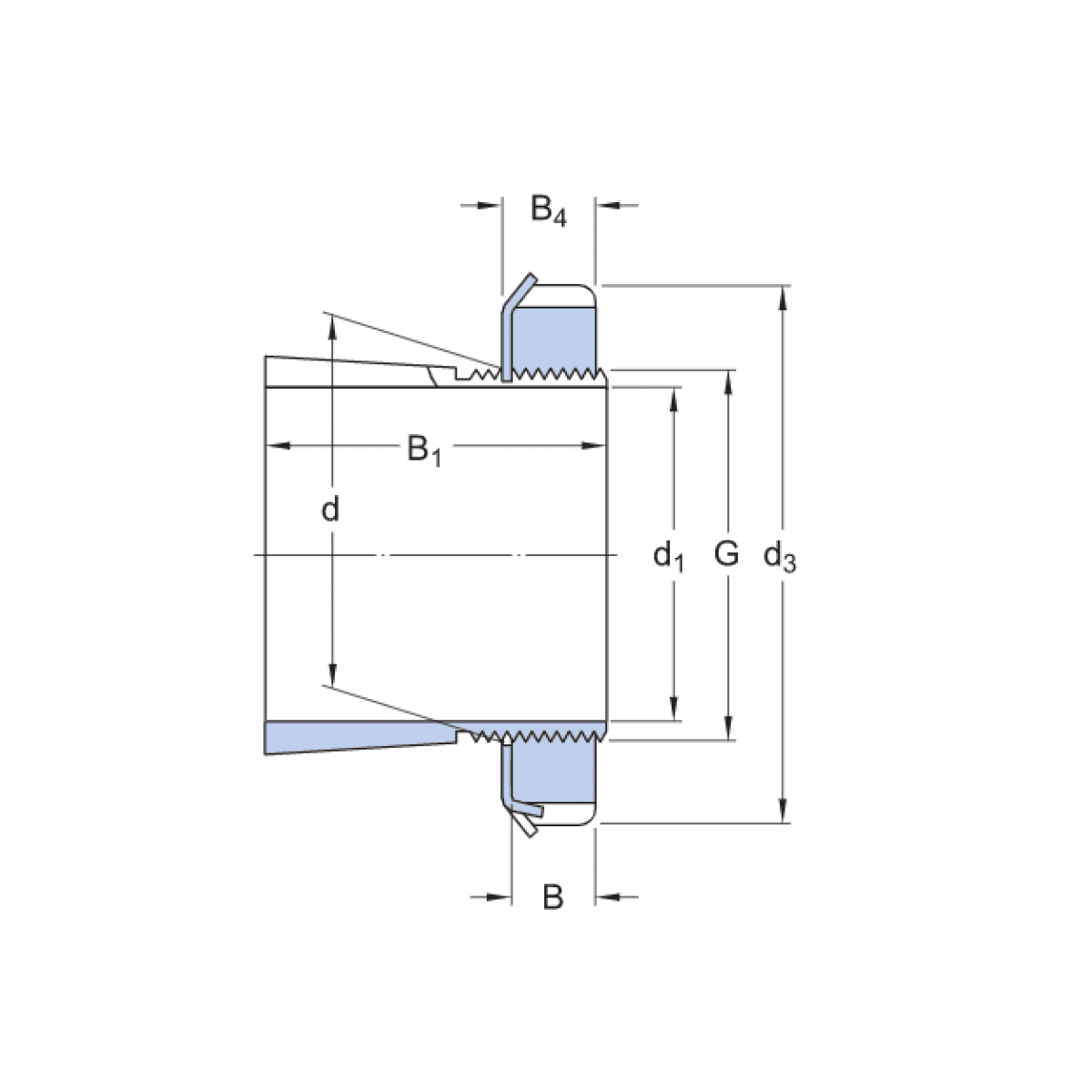
puzdro H 3134 - FAG

Značka: FAG
Skladom 3 ks na dopyt
+
-
ks