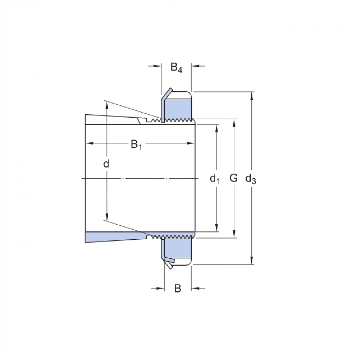
puzdro H 316 - CX

Rozmer: 70x105x59 Značka: CX
Skladom 2 ks na dopyt
+
-
ks