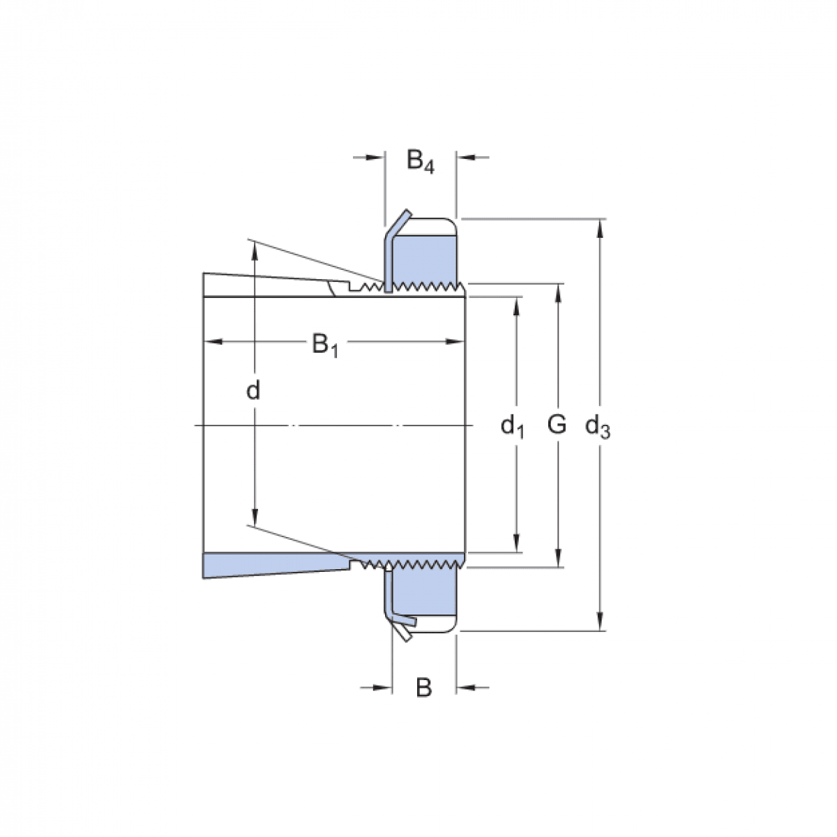
puzdro H 316 - FAG

Rozmer: 70x105x59 Značka: FAG
Externý sklad na dopyt
+
-
ks