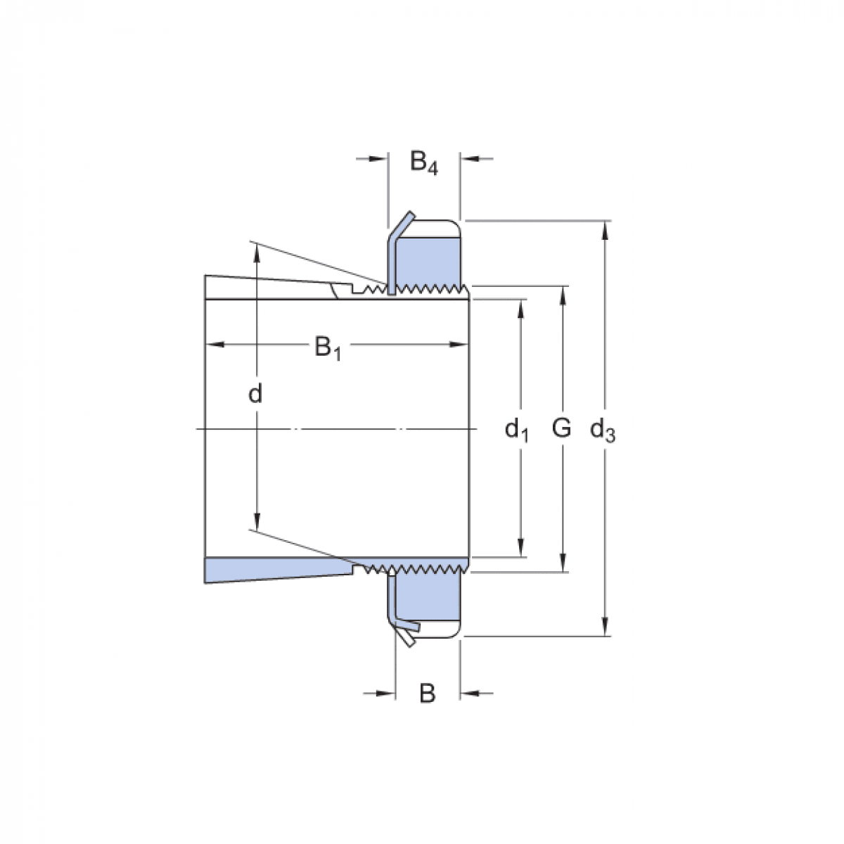
puzdro H 318 - FAG

Rozmer: 80x120x65 Značka: FAG
Externý sklad na dopyt
+
-
ks