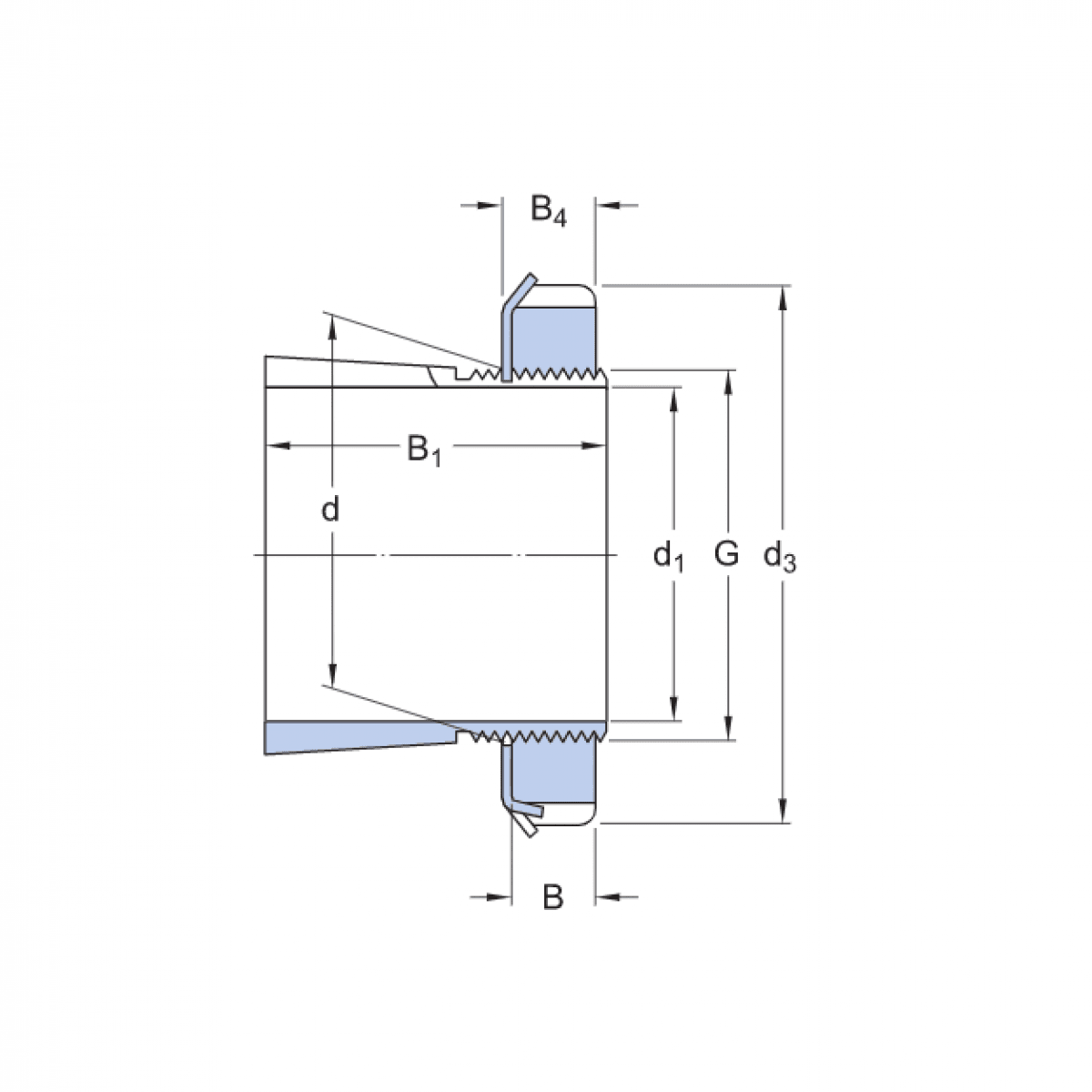
puzdro H 322 - CX

Rozmer: 100x145x77 Značka: CX
Externý sklad na dopyt
+
-
ks