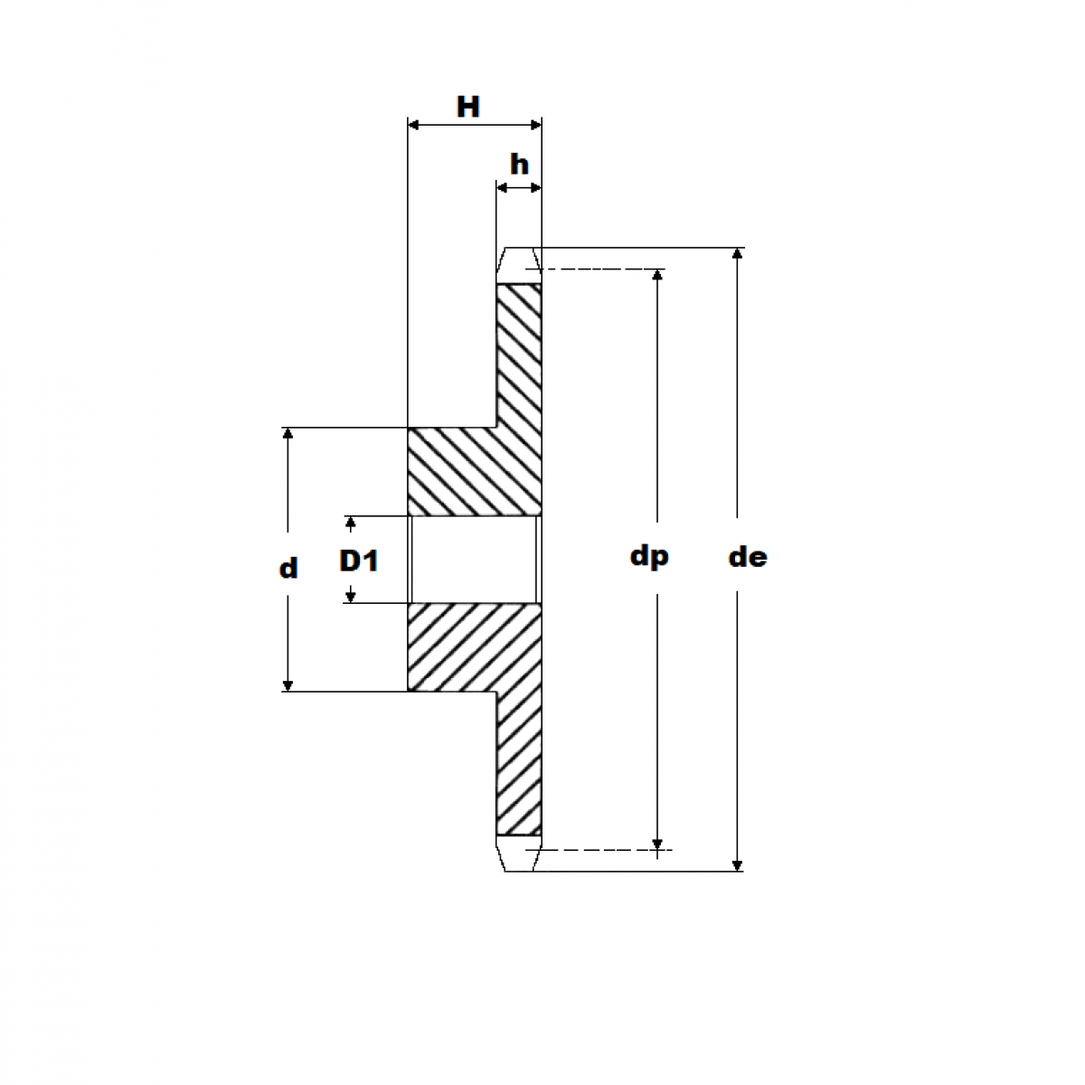
Reťaz. kolo 04B-1/54 zubov

Rozmer: 4
Skladom 2 ks na dopyt
+
-
ks