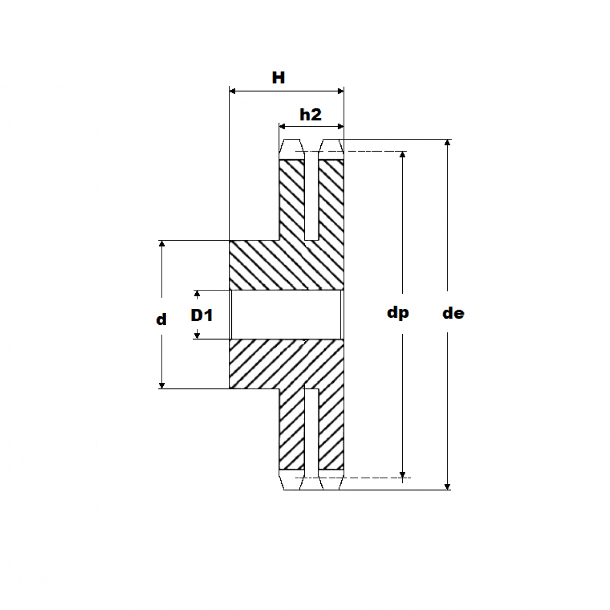
Reťaz. kolo 05B-2/15 zubov s nábojom

Rozmer: 5
Externý sklad na dopyt
+
-
ks