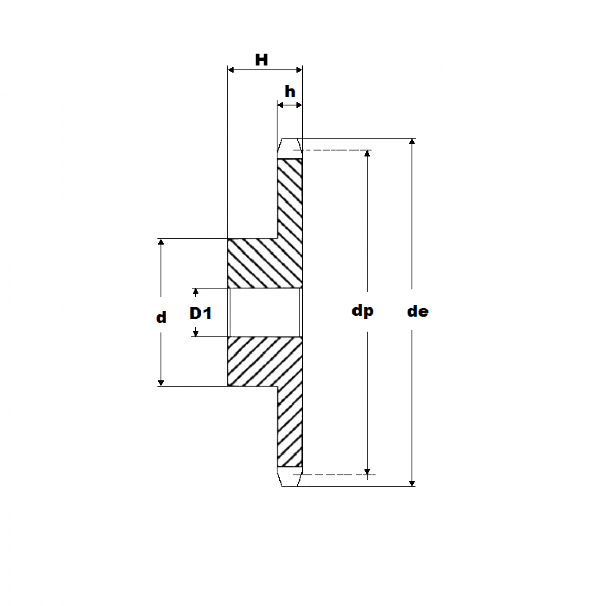
Reťaz. kolo 06A-1/14 zubov

Rozmer: 6
Externý sklad na dopyt
+
-
ks