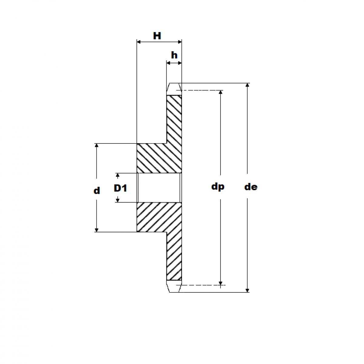
Reťaz. kolo 06B-1/16 zubov

Rozmer: 6
Skladom 1 ks na dopyt
+
-
ks