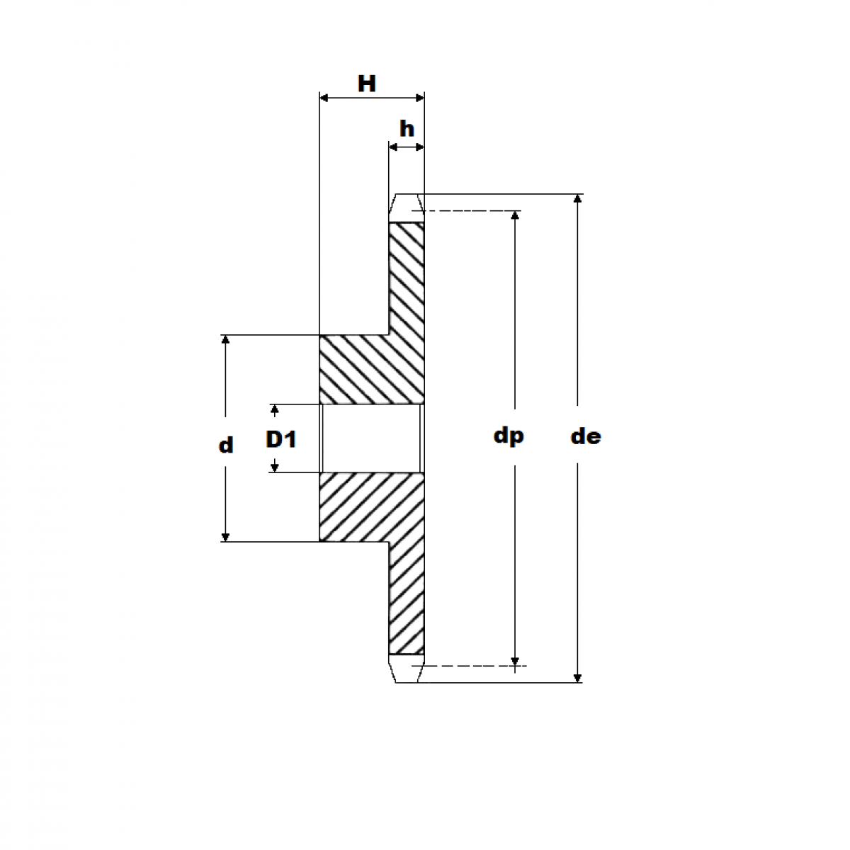
Reťaz. kolo 06B-1/48 zubov

Rozmer: 6
Externý sklad na dopyt
+
-
ks