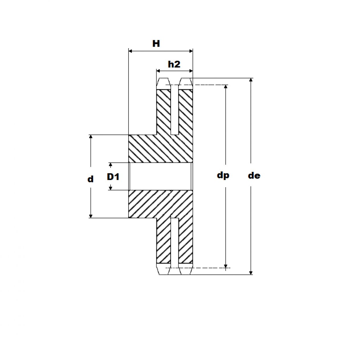
Reťaz. kolo 06B-2/14 zubov

Rozmer: 6
Externý sklad na dopyt
+
-
ks