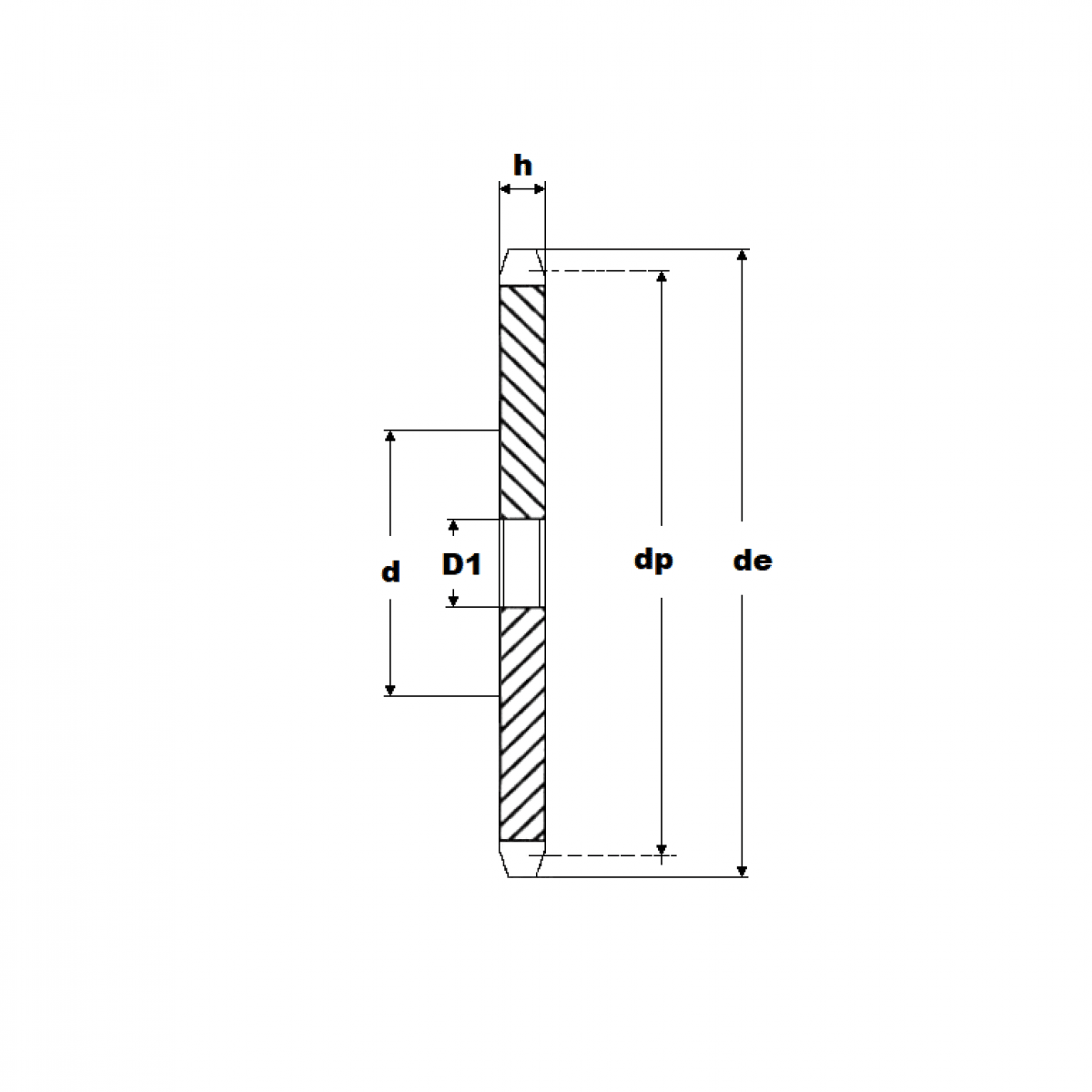
Reťaz. kolo 083-1 Z=24 disk

Rozmer: 83
Externý sklad na dopyt
+
-
ks