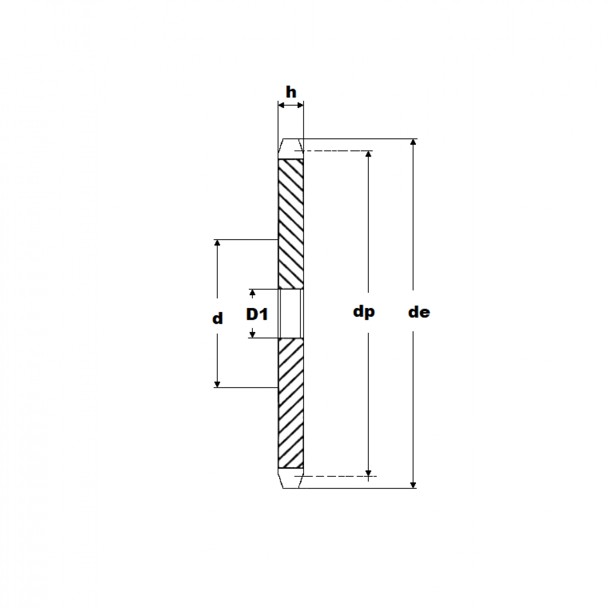
Reťaz. kolo 08B-1/18 zubov disk

Rozmer: 8
Skladom 4 ks na dopyt
+
-
ks