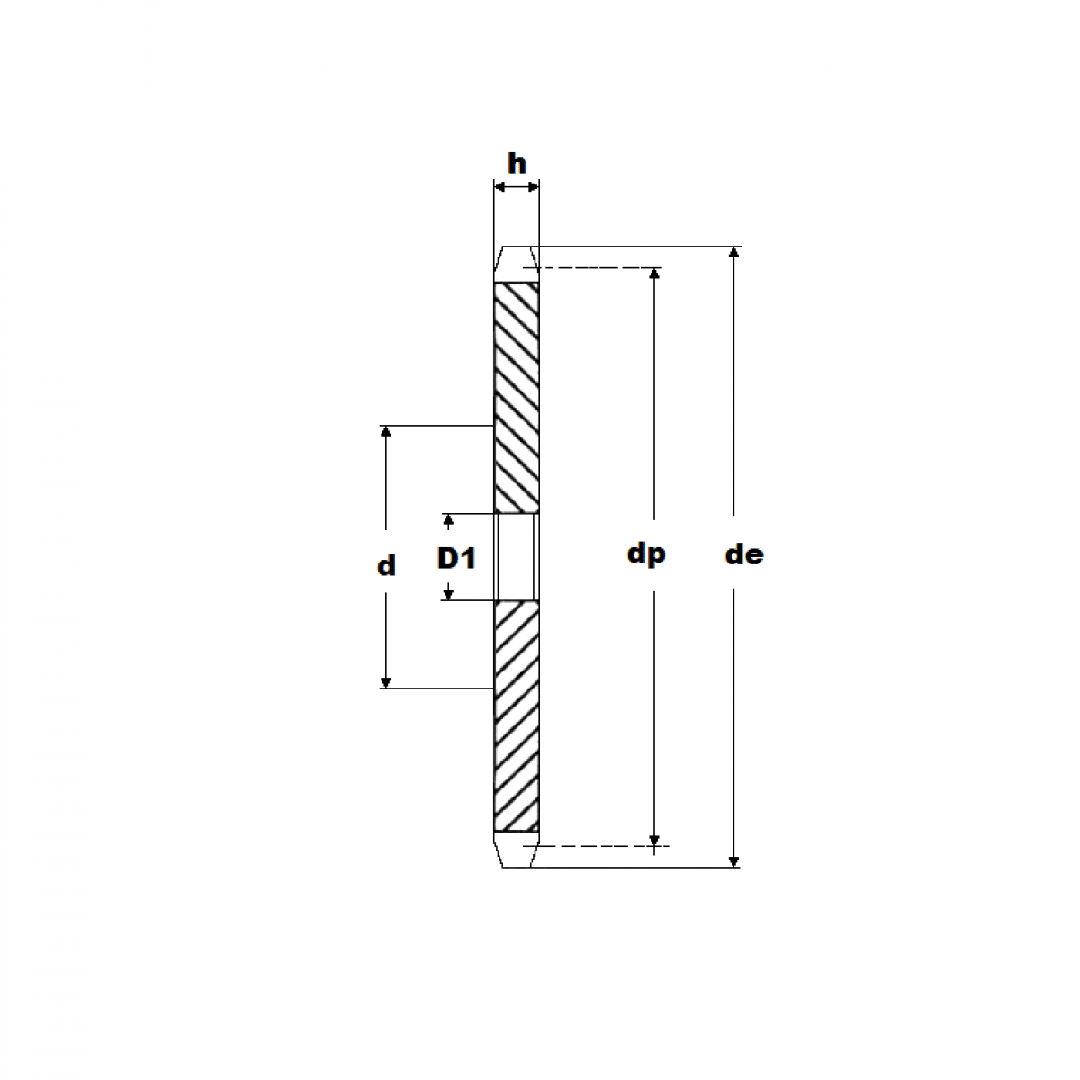
Reťaz. kolo 08B-1/24 zubov disk

Rozmer: 8
Skladom 2 ks na dopyt
+
-
ks