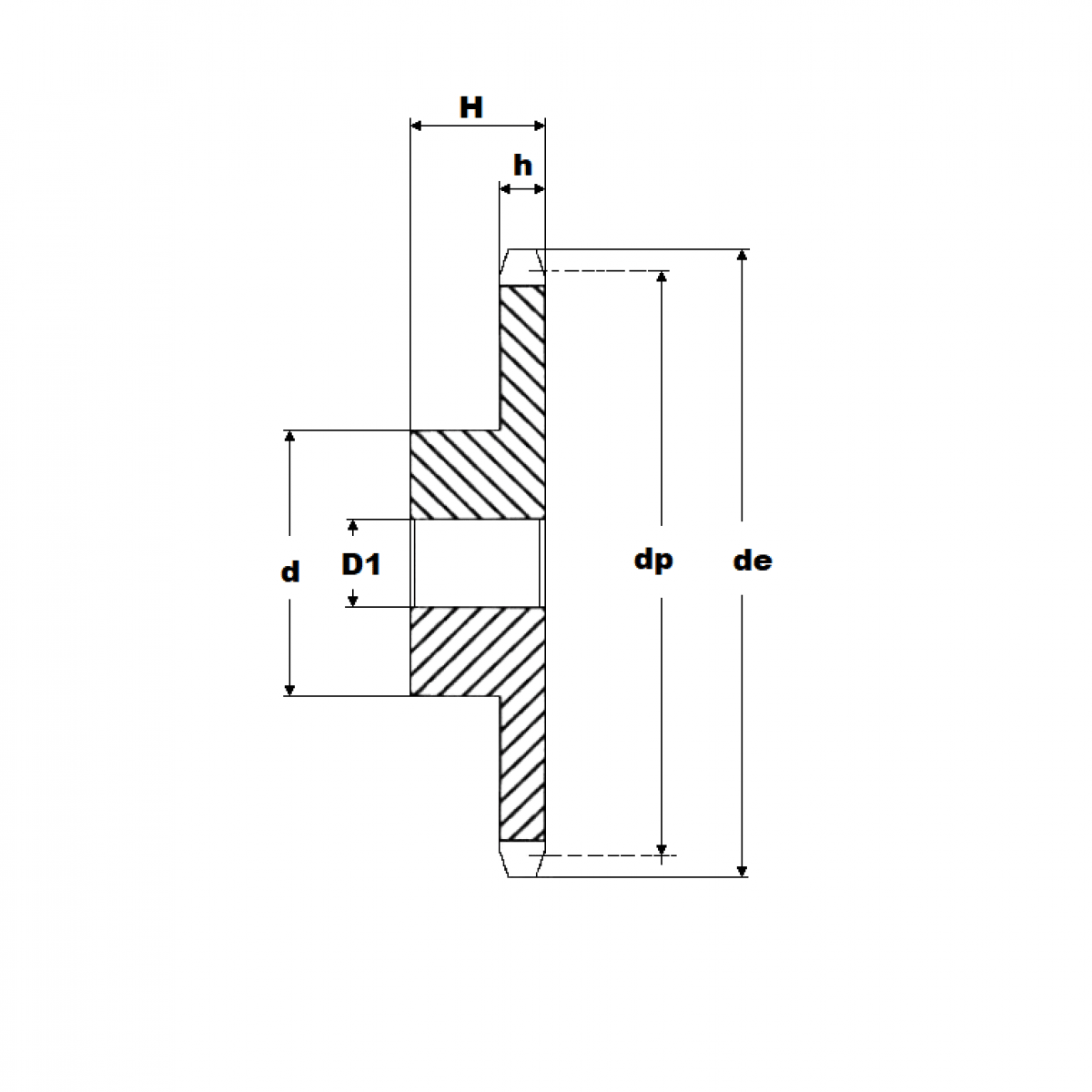
Reťaz. kolo 08B-1/27 zubov

Rozmer: 8
Skladom 4 ks na dopyt
+
-
ks