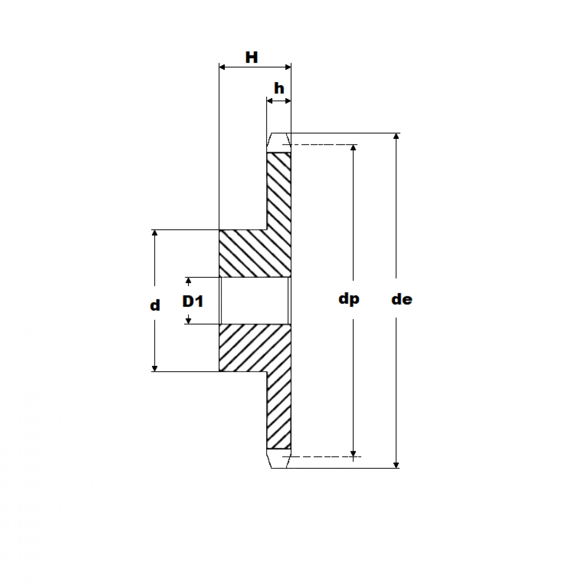
Reťaz. kolo 08B-1/76 zubov

Rozmer: 8
Externý sklad na dopyt
+
-
ks