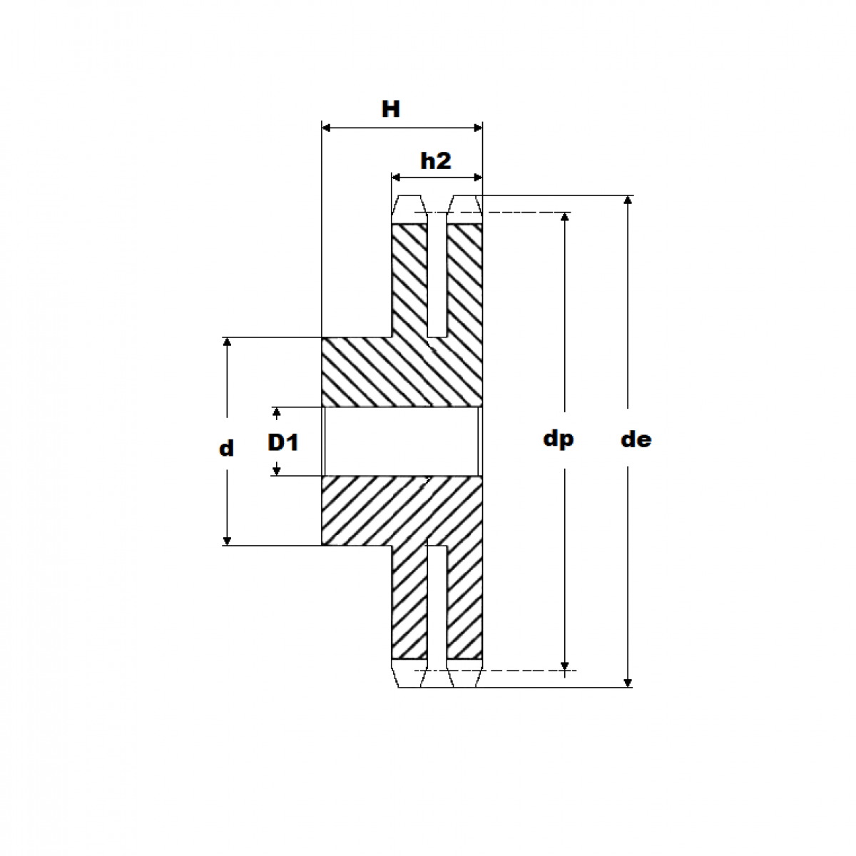
Reťaz. kolo 08B-2/15 zubov

Rozmer: 8
Externý sklad na dopyt
+
-
ks