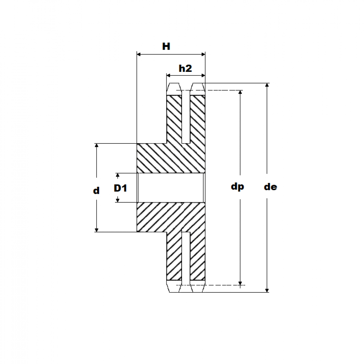
Reťaz. kolo 08B-2/24 zubov

Rozmer: 8
Skladom 1 ks na dopyt
+
-
ks