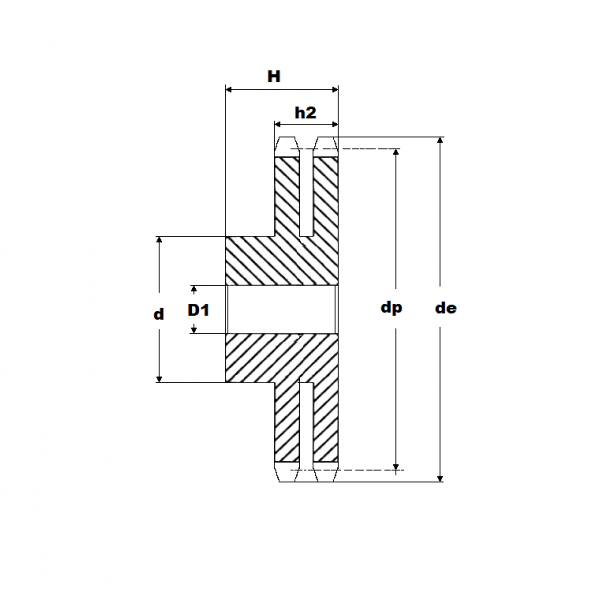
Reťaz. kolo 08B-2/57 zubov GK/SD1257

Rozmer: 8
Skladom 1 ks na dopyt
+
-
ks