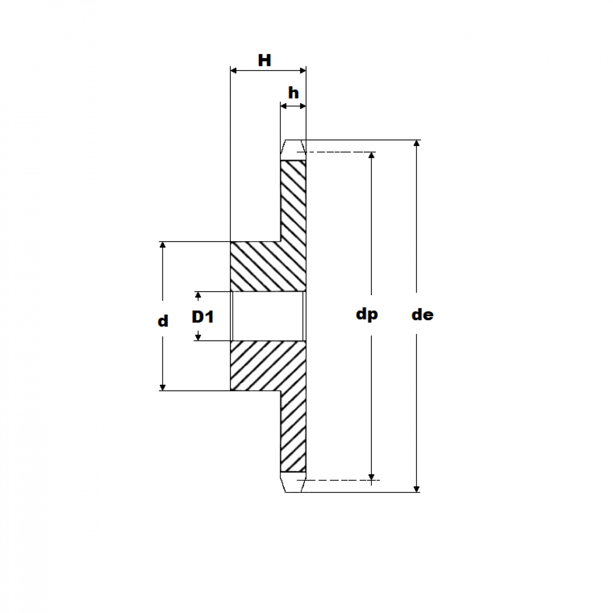
Reťaz. kolo 10B-1/17 zubov

Rozmer: 10
Skladom 4 ks na dopyt
+
-
ks