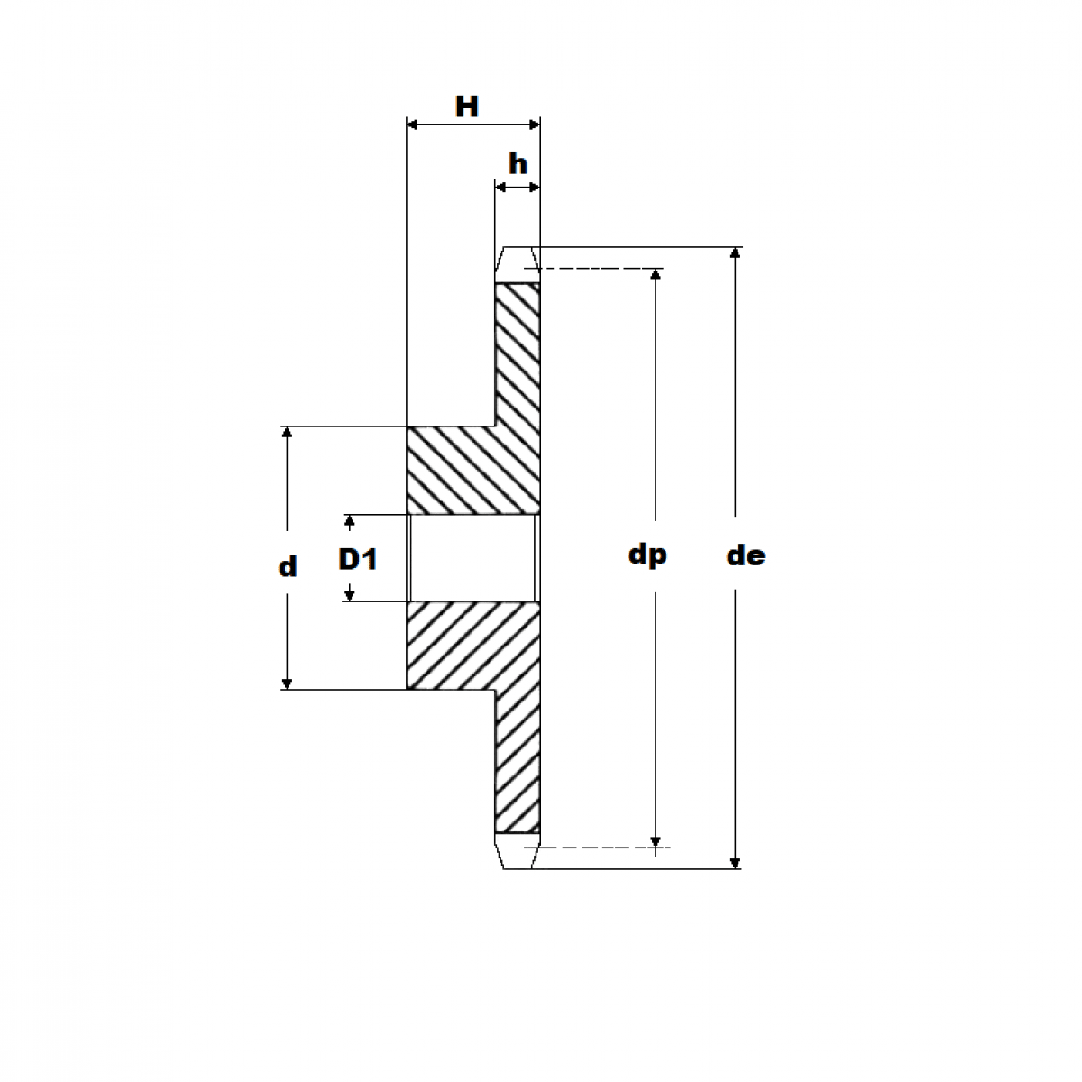
Reťaz. kolo 10B-1/18 zubov GK/SE5818/

Rozmer: 10
Skladom 1 ks na dopyt
+
-
ks