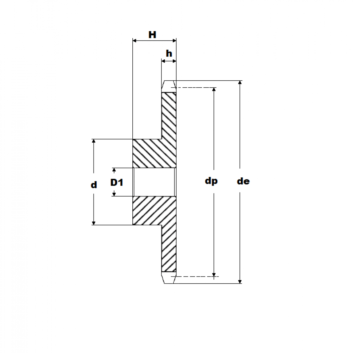
Reťaz. kolo 10B-1/19 zubov

Rozmer: 10
Skladom 2 ks na dopyt
+
-
ks