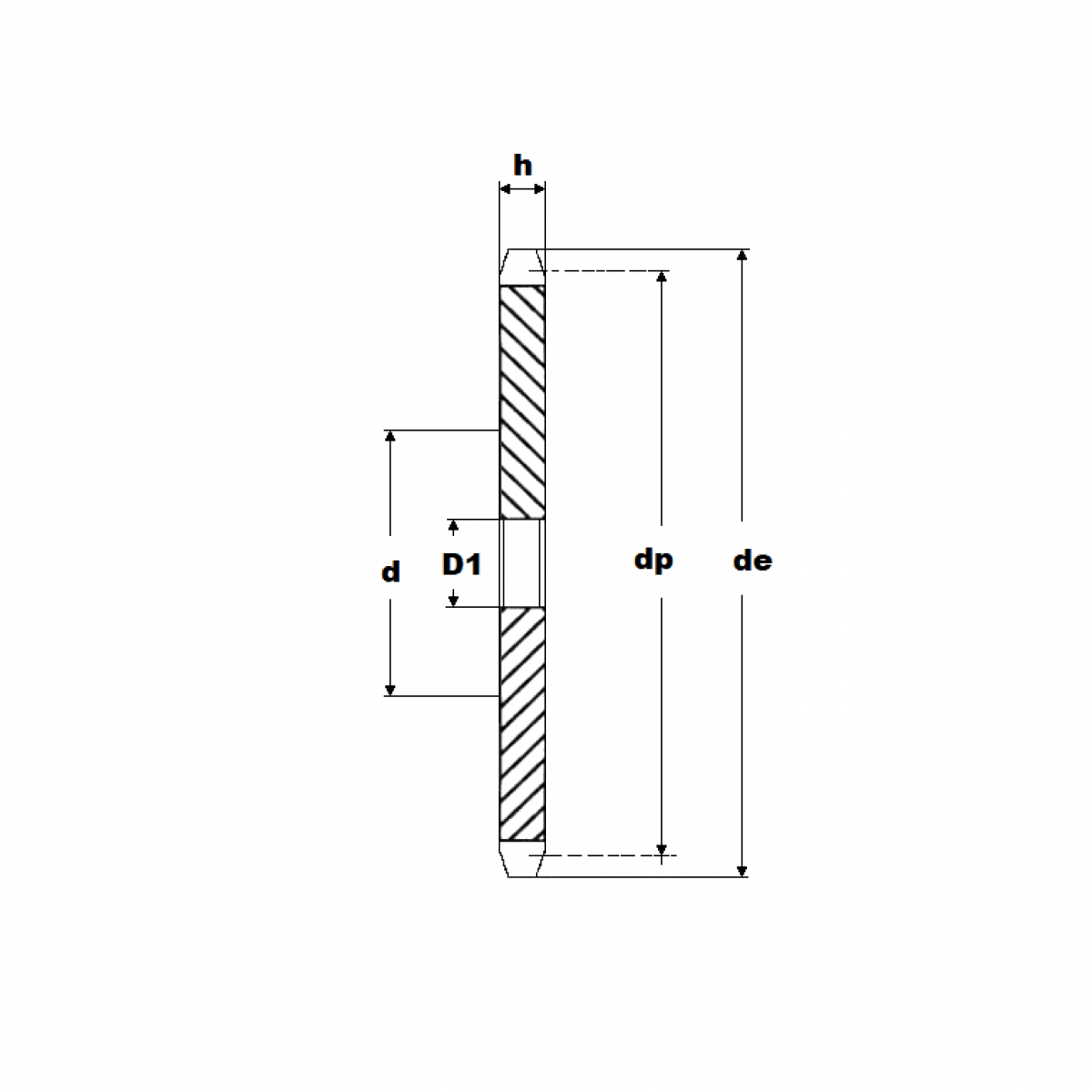
Reťaz. kolo 10B-1/30 zubov disk

Rozmer: 10
Externý sklad na dopyt
+
-
ks