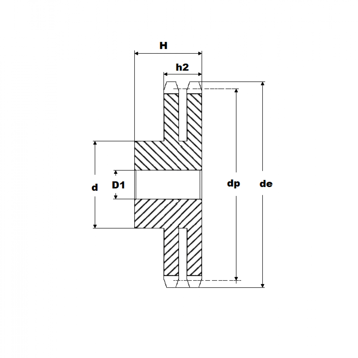
Reťaz. kolo 10B-2/20 zubov

Rozmer: 10
Skladom 1 ks na dopyt
+
-
ks