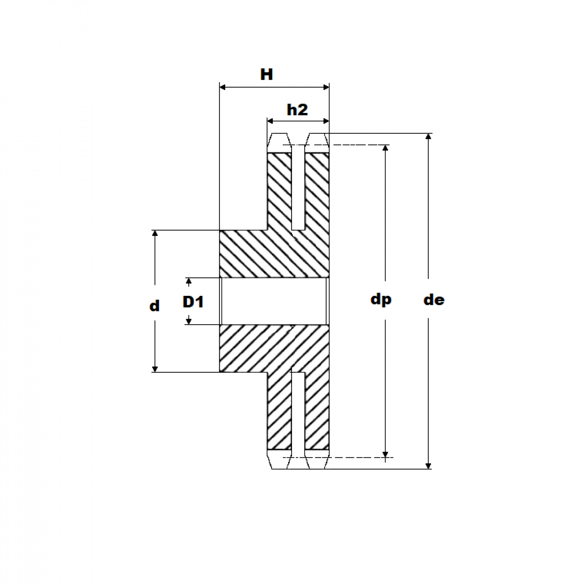
Reťaz. kolo 10B-2/21 zubov

Rozmer: 10
Externý sklad na dopyt
+
-
ks