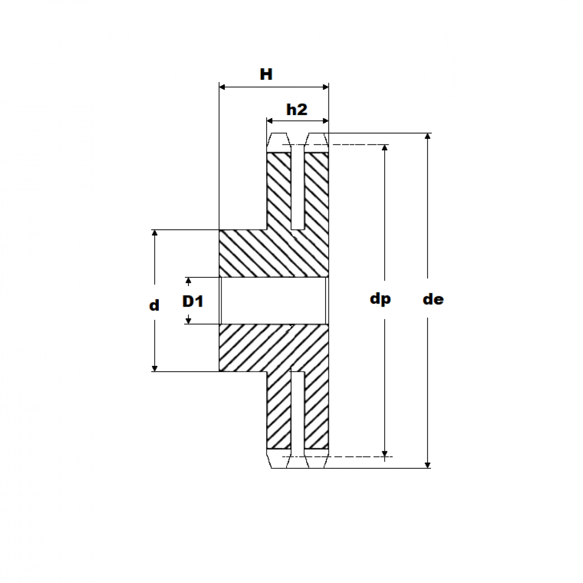
Reťaz. kolo 10B-2/23 zubov TB1610

Rozmer: 10
Externý sklad na dopyt
+
-
ks