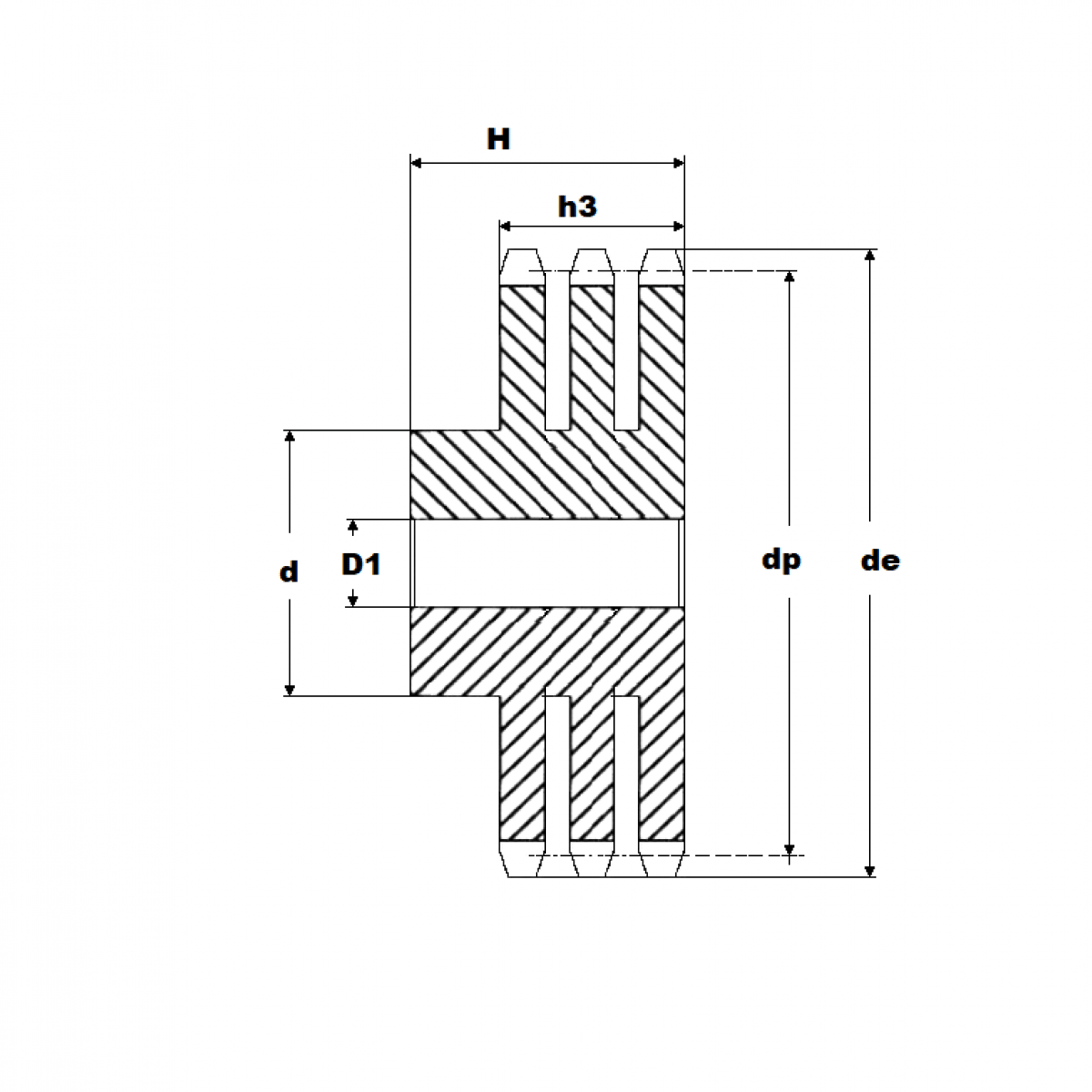
Reťaz. kolo 10B-3/26 zubov s nábojom

Rozmer: 10
Externý sklad na dopyt
+
-
ks