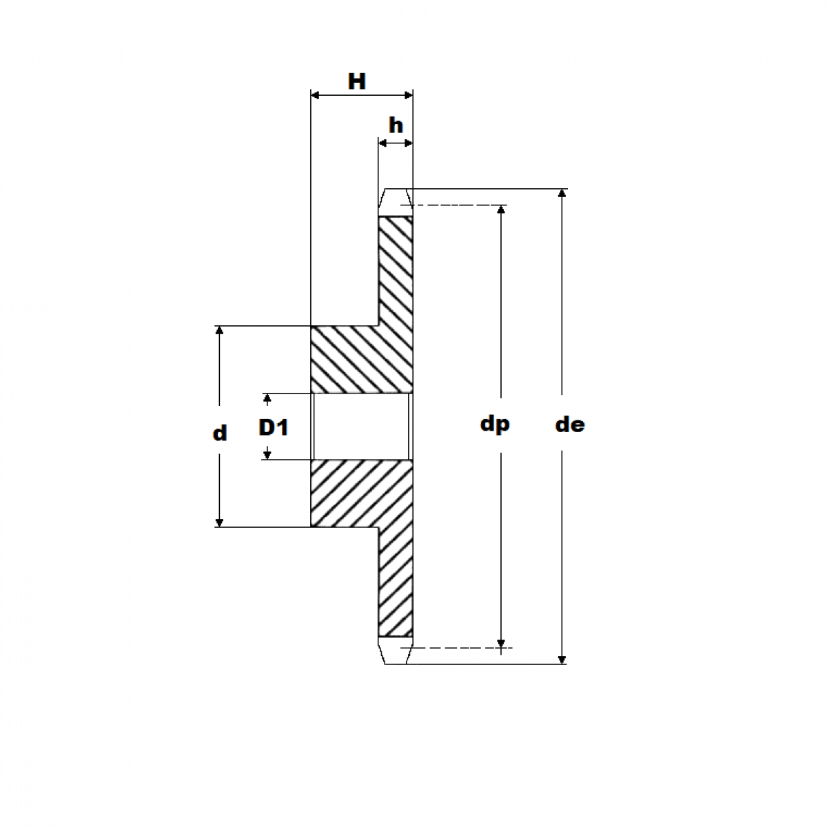
Reťaz. kolo 12A-1/13 zubov

Rozmer: 12
Externý sklad na dopyt
+
-
ks