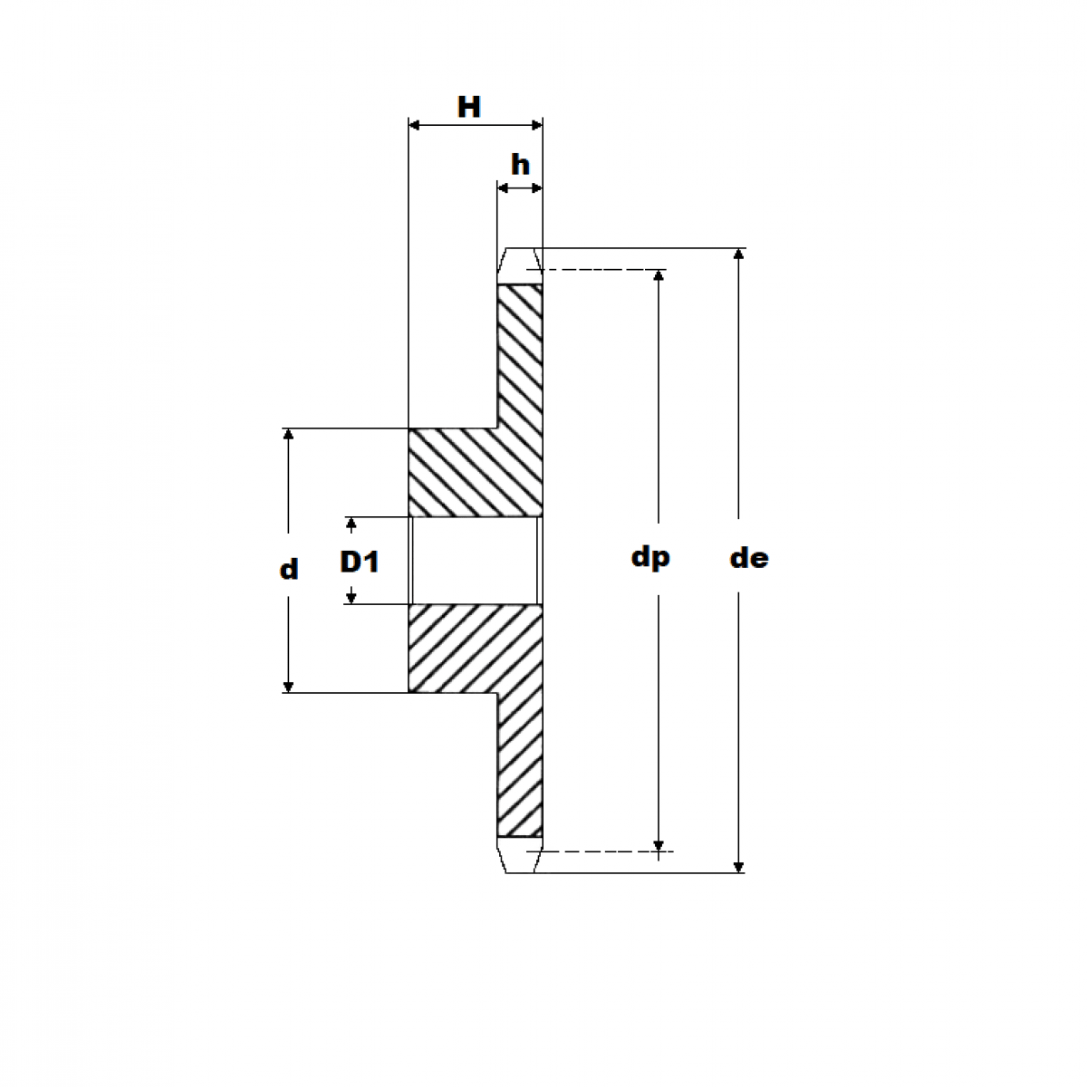
Reťaz. kolo 12B-1/14 zubov

Rozmer: 12
Externý sklad na dopyt
+
-
ks