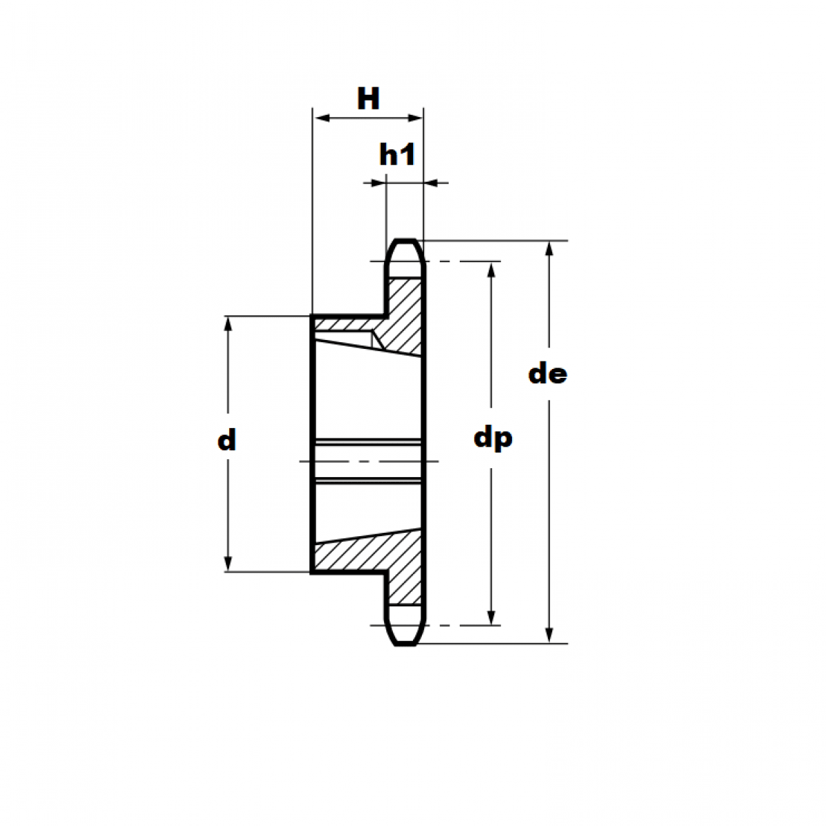
Reťaz. kolo 12B-1/18 zubov pre upín. puzdro TB 2012

Rozmer: 12
Externý sklad na dopyt
+
-
ks