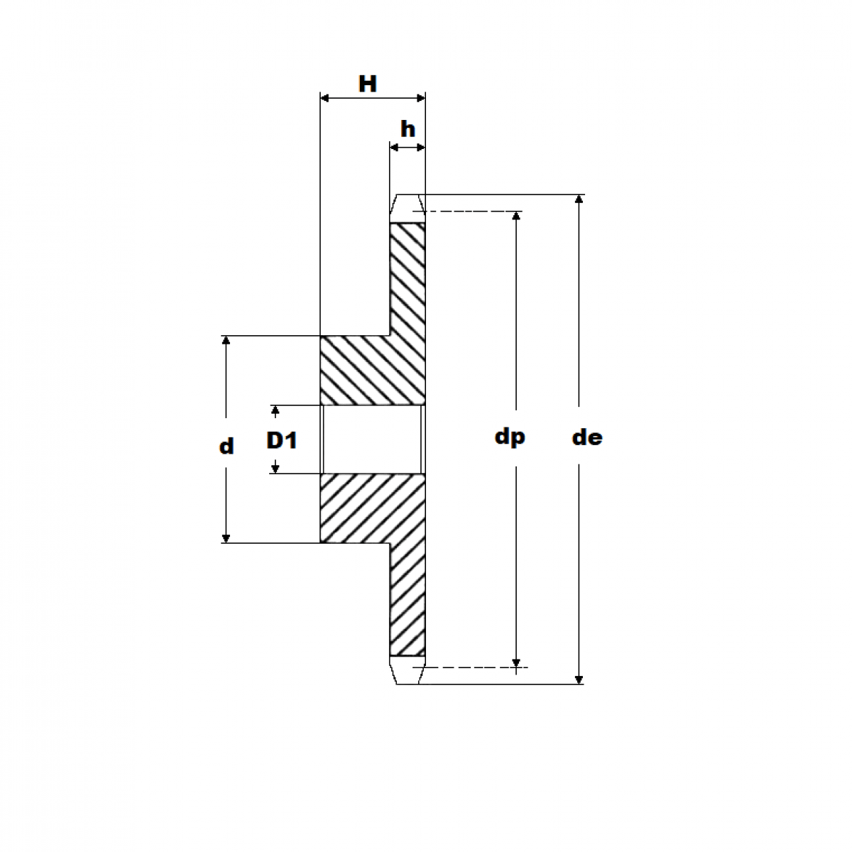
Reťaz. kolo 12B-1/20 zubov

Rozmer: 12
Skladom 1 ks na dopyt
+
-
ks