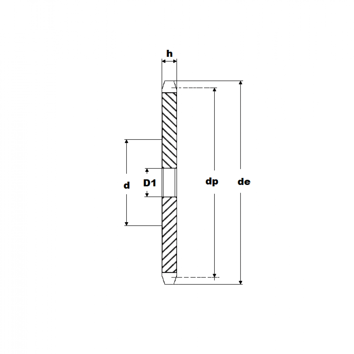
Reťaz. kolo 12B-1/8 zubov disk

Rozmer: 12
Externý sklad na dopyt
+
-
ks