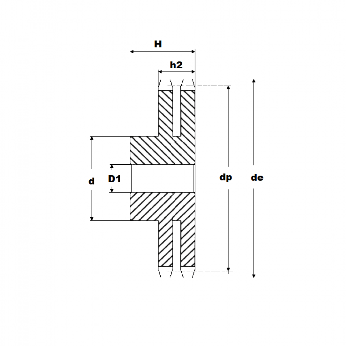
Reťaz. kolo 12B-2/15 zubov

Rozmer: 12
Externý sklad na dopyt
+
-
ks