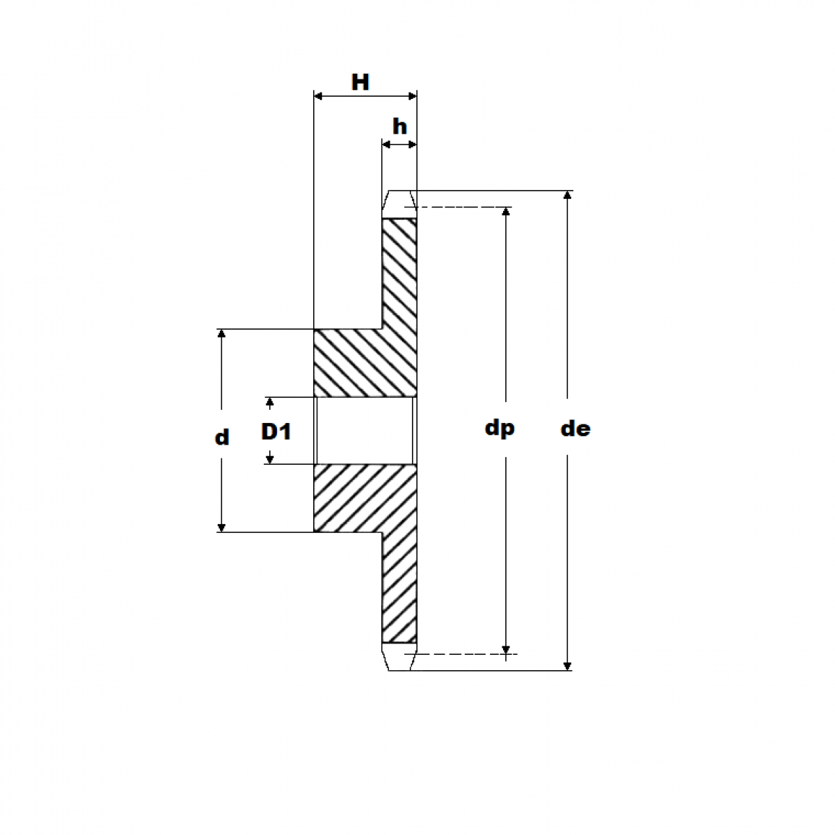
Reťaz. kolo 16B-1/13 zubov /GK/SE113/

Rozmer: 16
Externý sklad na dopyt
+
-
ks