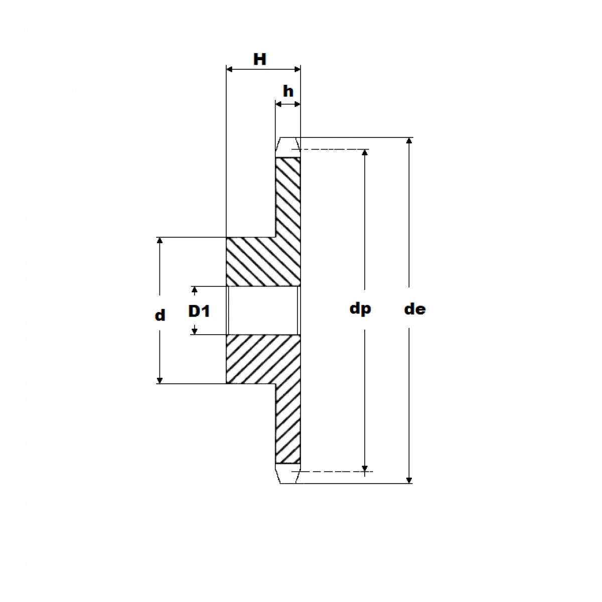
Reťaz. kolo 16B-1/15 zubov

Rozmer: 16
Skladom 1 ks na dopyt
+
-
ks