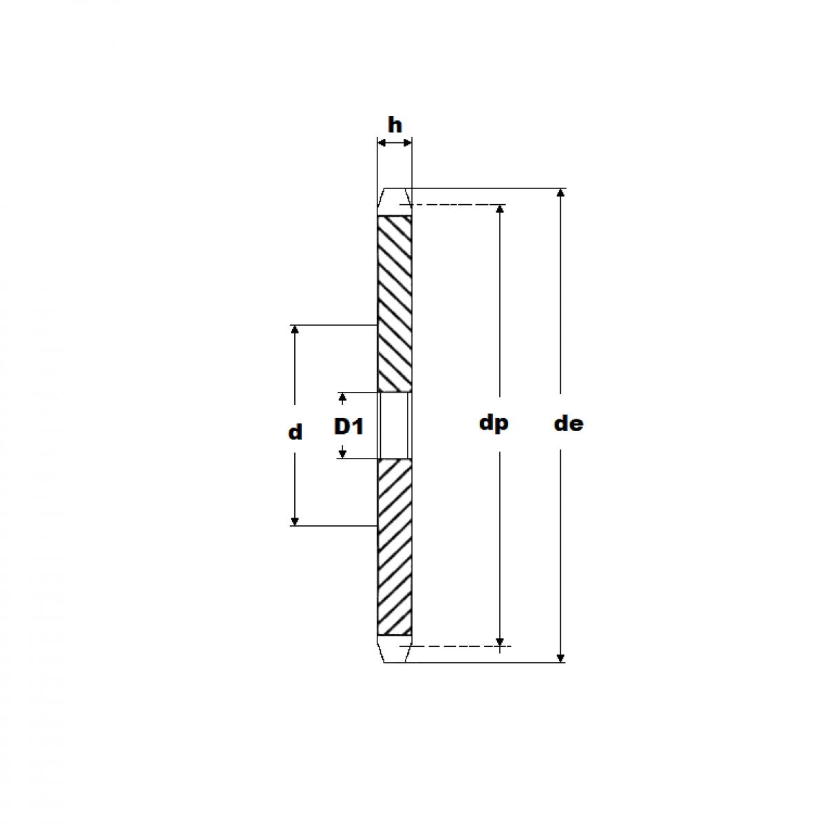
Reťaz. kolo 16B-1/15 zubov disk

Rozmer: 16
Externý sklad na dopyt
+
-
ks