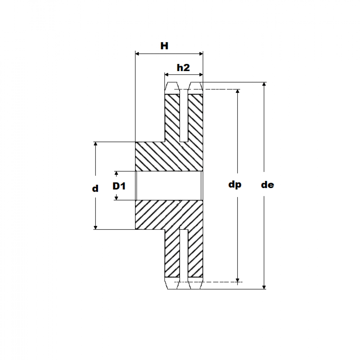
Reťaz. kolo 16B-2/19 zubov

Rozmer: 16
Externý sklad na dopyt
+
-
ks