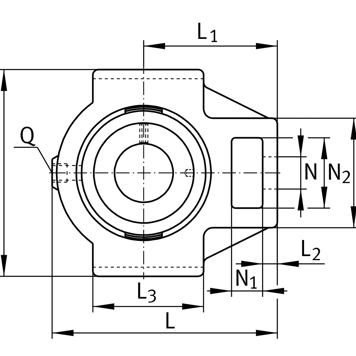
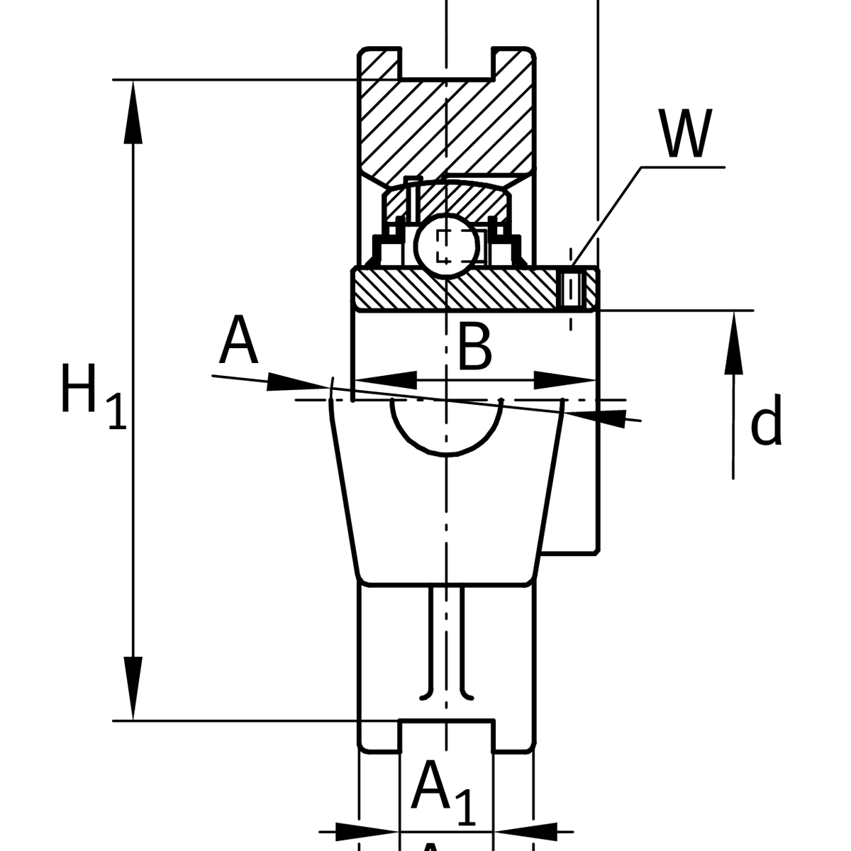
RTUEY 30 /INA UCT 206

Rozmer: 30x Značka: INA
Externý sklad na dopyt
+
-
ks