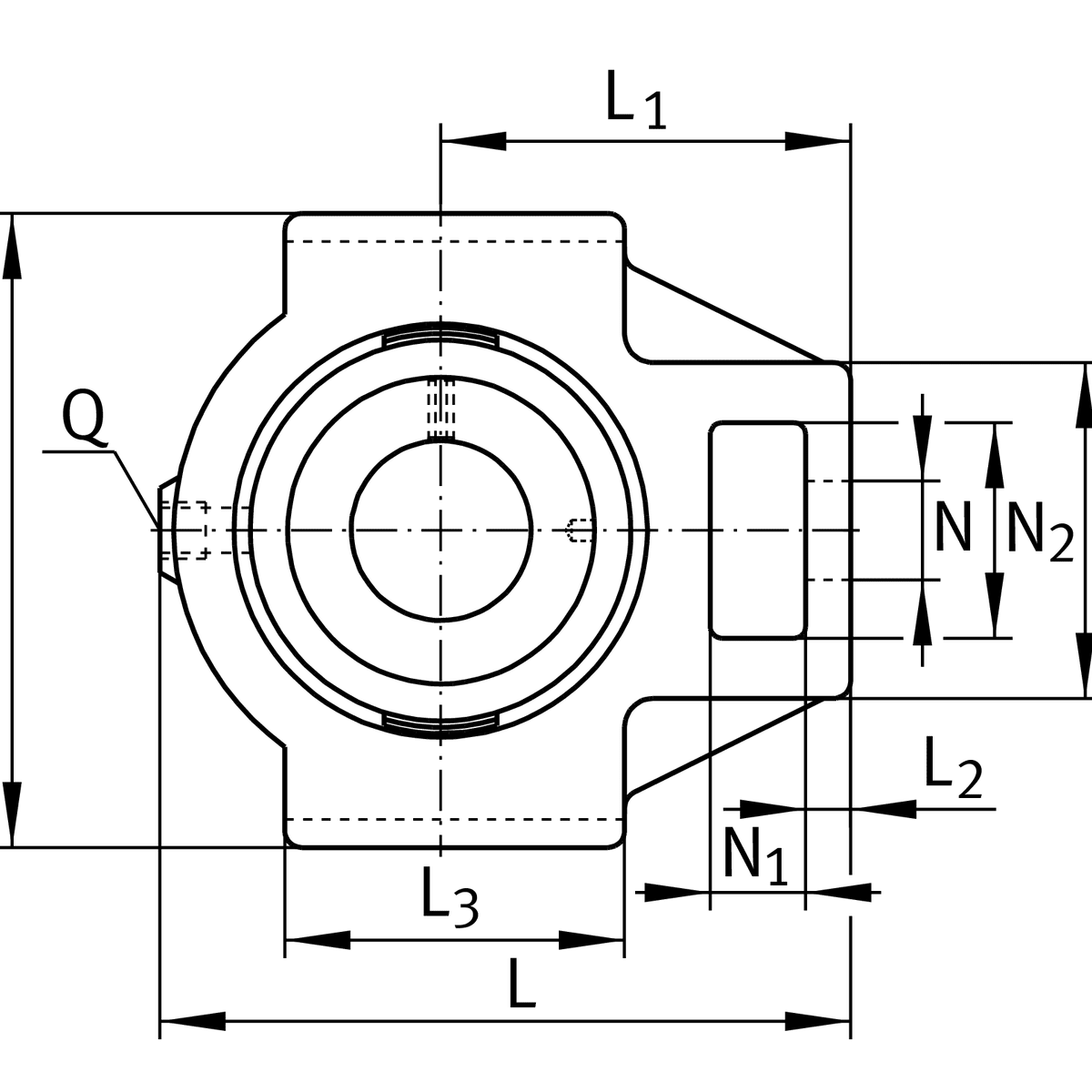
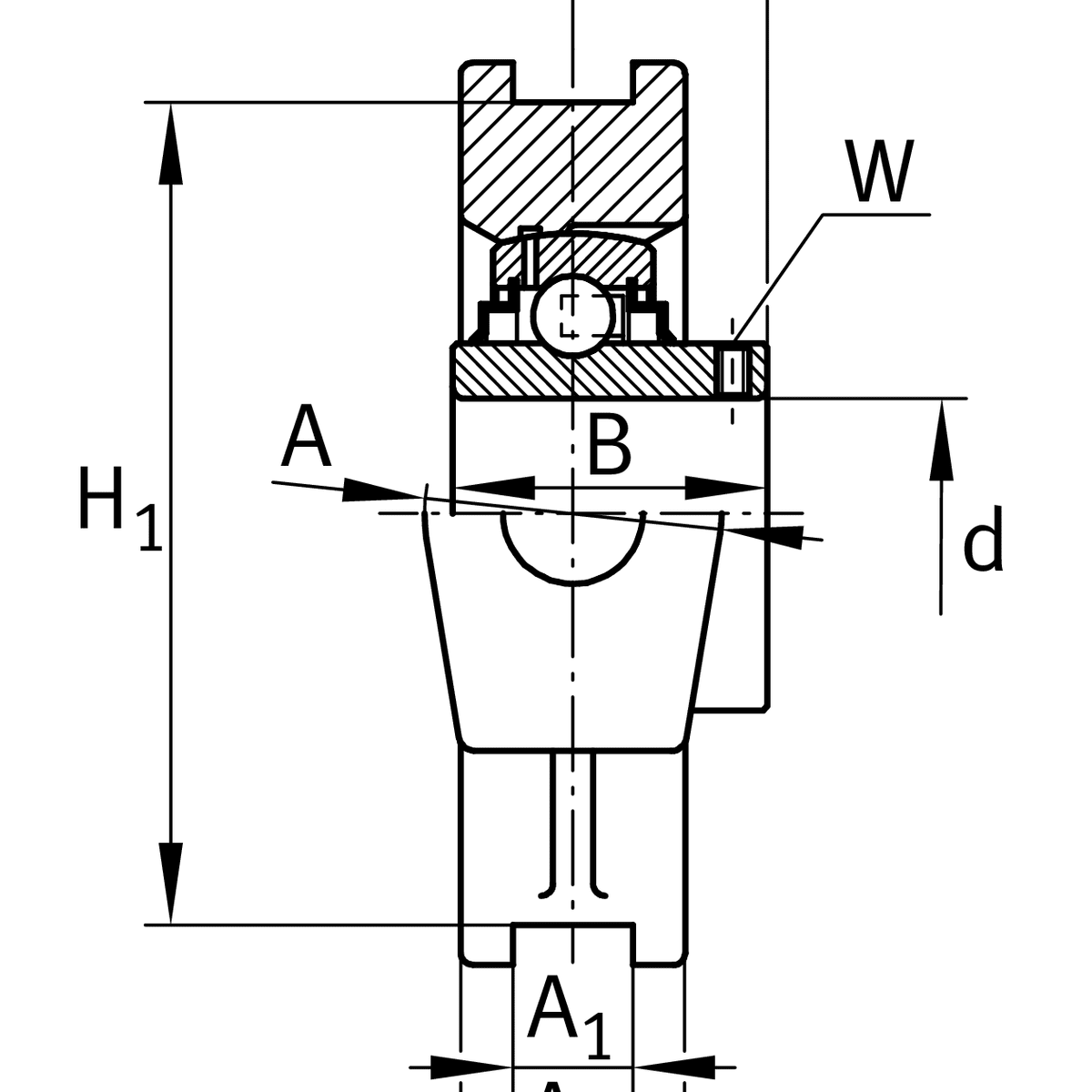
RTUEY 60 /INA

Rozmer: 60x Značka: INA
Externý sklad na dopyt
+
-
ks