SA 203 / UE/ YET 203 - CX, ISB

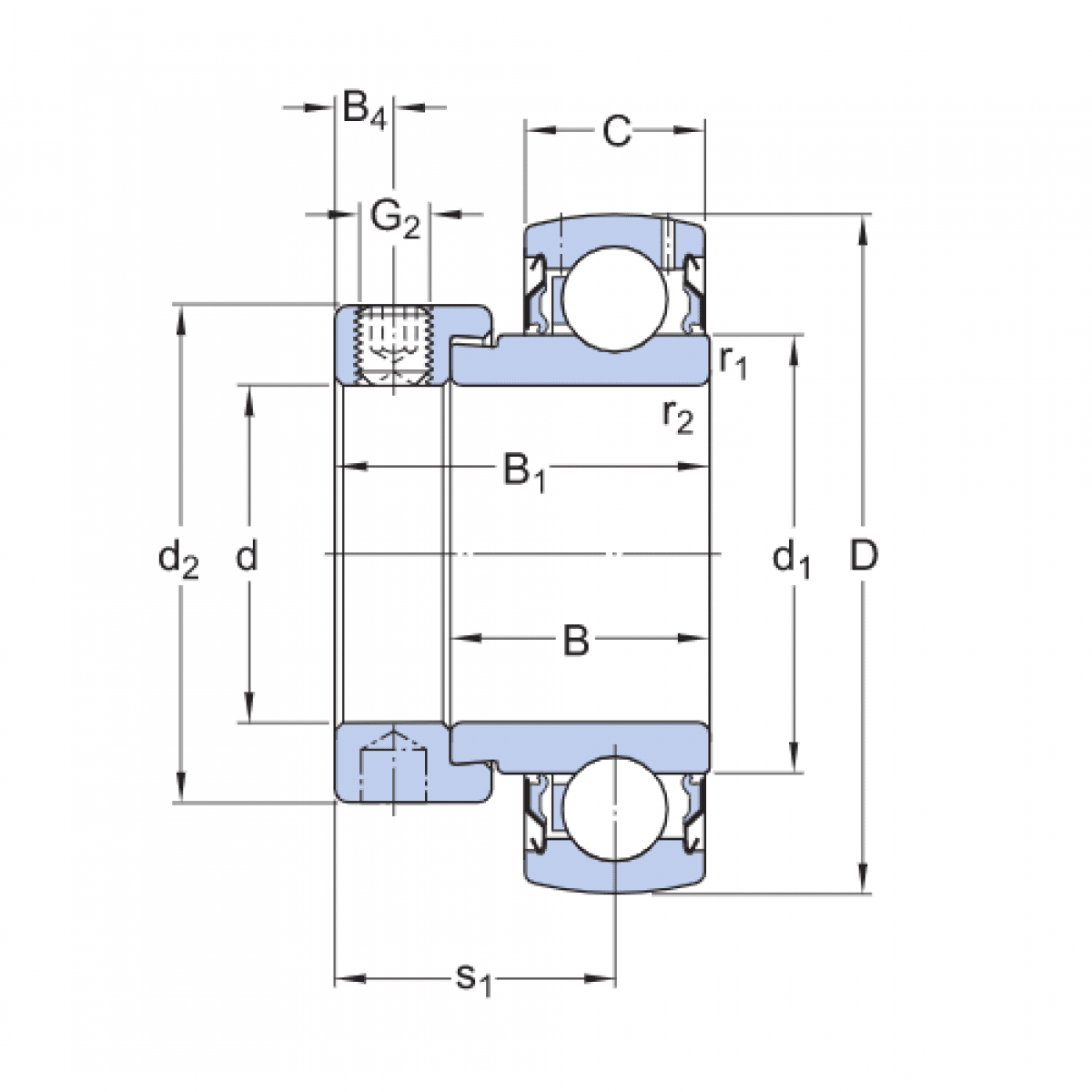
Rozmer: 17x40x28,6/12 Značka: CX
Skladom 10 ks na dopyt
+
-
ks