SA 203 / UE/ YET 203 - MTM

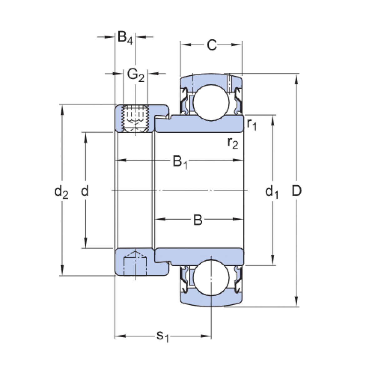
Rozmer: 17x40x28,6/12 Značka: MTM
Externý sklad na dopyt
+
-
ks