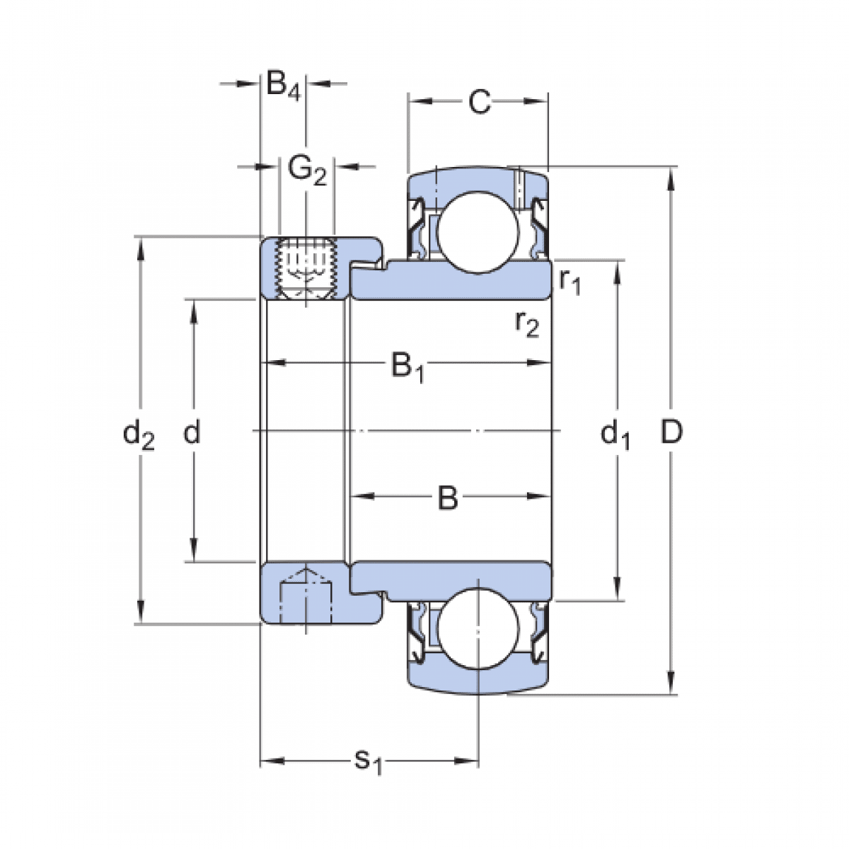
SA 204 /UE /YET 204 - FBJ, ISB

Rozmer: 20x47x29,5/14 Značka: FBJ
Skladom 10 ks na dopyt
+
-
ks